刚性防水套管管径尺寸确定是防水工程关键环节。基于奥凡环保科技专业经验与技术知识,本文详细介绍刚性防水套管管径尺寸确定方法。
一、刚性防水套管安装高度要求
刚性防水套管安装在外墙穿过墙壁、地板或顶板时,安装在地板上的刚性防水套管顶部应比装饰地板高出 20 毫米。浴室和厨房区域安装时,防水套管顶部应比装饰地板高出 50 毫米。管道底部应与地板底面平齐。

刚性防水套管图片
二、墙体安装规范
安装在墙上的刚性防水套管两端应与装饰面齐平。防水套管与穿地管之间的缝隙需填充阻燃致密材料和防水油膏,确保端面光滑。其内部不得设置管接头。给排水管穿过地板和内壁时,钢管或铁管的直径选择需遵循 "防水套管内径≥管道外径 + 20mm" 原则。
三、金属套管安装要求
金属防水套管安装在外墙穿过墙壁、地板或塑料防水套管时,安装在地板上的防水套管顶部应比装饰地板高出 20 毫米。浴室和厨房区域安装时,防水套管顶部应比装饰地板高出 50 毫米。管道底部也应与地板底面平齐。
四、刚性防水套管图集标注说明
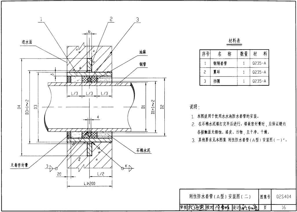
刚性防水套管图集中,D1 表示套管外径,D2 表示套管内径,D3 表示翼环内径,D4 表示翼环外径,L 表示套管长度,b 表示翼环宽度,δ 表示套管壁厚,K 表示填充物厚度。

刚性防水套管安装图
五、刚性防水套管适用性与选型原则
刚性防水套管适用于管道穿过墙壁、地板或其他结构中,且不承受管道振动和膨胀变形的结构(例如建筑物)。地震设防要求区域,管道之间的间隙应填充阻燃致密材料,端面应光滑,防水套管内不得设置管道接头。
所有防水套管都需要根据 02S404 防水套管图集进行设计、生产和使用。管道指的是防水套管的管径,而工作管道则是指实际工作中所使用的管径。根据理论,管道的直径应大于等于工作管道的直径。
1、核心选型依据
管道外径匹配:型号标注(如 DN100)对应管道公称直径,实际需以管道外径为准。例如:
DN50 钢管(外径 57mm)→ 选 DN65 防水套管(内径 76mm)
DN100 钢管(外径 114mm)→ 选 DN125 防水套管(内径 140mm)
塑料管道(如 De110 PPR 管)→ 直接选 DN125 防水套管(内径适配外径)
预留基础间隙:防水套管内径需比管道外径大 20mm 左右,满足管道安装偏差调整及后期密封填充(如防水油膏)需求,间隙过大易导致密封失效,过小则无法安装。
2、辅助选型参数
墙体厚度:防水套管长度需≥墙体厚度,若墙体超厚(如>300mm),需选择加长型刚性防水套管(标注 "L=XXmm",XX 为实际墙体厚度),避免截断后重新焊接影响防水性。
密封等级:普通防水场景选标准型(如 S312 型);迎水面压力高(如水池、地下室外墙)需选带翼环加强型,翼环可增强与混凝土的结合力,防止渗水。

加长型刚性防水套管图片
3、常见误区
部分用户认为 "加大型号更保险",实则多余:
过大的防水套管会增加混凝土浇筑难度,易产生空洞
间隙超 50mm 时,密封材料难以填充密实,反而提升漏水风险
非常规大尺寸套管需定制,增加成本与工期
六、刚性防水套管管径选择实例
以 DN100 工作管道为例,若为钢管(外径 114mm),应选择 DN125 套管(内径 140mm),确保套管内径比管道外径大 26mm,满足安装间隙和密封材料填充需求。若为 De110 PPR 塑料管,同样选择 DN125 套管,直接适配管道外径。
七、奥凡环保科技专业服务
奥凡环保科技作为专业的防水套管制造厂,拥有丰富的经验和专业的技术团队,能够为您提供量身定制的解决方案。根据 02S404 防水套管图集标准,结合项目实际需求,为您精准选择合适的刚性防水套管管径尺寸。
如果您需要进一步了解刚性防水套管或其他相关产品的信息,请随时咨询我们的专家或访问我们的网站。奥凡环保科技期待与您一同努力,为建筑防水领域的发展做出更大的贡献。
数据来源:
【相关文章推荐:02s404图集B型刚性防水套管-生产厂家|管道|图片|做法】
【相关文章推荐:电气组合套管图集做法09BD】
【相关文章推荐:人防密闭套管如何穿过防护单元密闭隔墙】


豫公网安备 41018102000158号
在线客服